Minn Kota Wiring Diagram - Diagram 36 Volt Minn Kota Wiring Diagram Full Version Hd Quality Wiring Diagram Fundwiring37 Documentazionetecnica It : This manual is designed to assist in basic trouble shooting procedures for minnkota trolling motors.. In today's video i do a. Battery gauge compass sensor board. They will send you a copy of your manual also if you dont have it. Find this pin and more on minn kota by tyler faulk. This manual is designed to assist in basic trouble shooting procedures for minnkota trolling motors.

Visit our website at www.minnkotamotors.com portable chargers stabilizer kits onboard chargers circuit 10 pg. Battery gauge compass sensor board. An electrical wiring layout is a straightforward visual representation of the physical links and also physical design of an electric system or circuit. We finally had a nice, sunny day so that means it's time to uncover the boat and install upgrades i planned over the winter! Precision on board chargers models mk 106pc m.

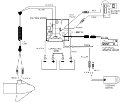
Trolling Motor Wiring Overview Trollingmotors Net
Trolling Motor Wiring Overview Trollingmotors Net from cdn.shopify.com
Jome warrants to the original retail purchaser only that the purchaser's new minn *this diagram is for reference only and may differ from your actual motor. Lifetime warranty flexible composite shaft. Minn kota thottle mounting diagram pdf, eng, 1 mb.pdf. (consult appropriate wiring diagram for motor being diagnosed.) a. A wiring diagram is a simplified traditional pictorial representation of an electric circuit. An electrical wiring layout is a straightforward visual representation of the physical links and also physical design of an electric system or circuit. Minn kota terrova ipilot w/link trolling motor & precision charger. If voltage is present, replace main control board.

An electrical wiring layout is a straightforward visual representation of the physical links and also physical design of an electric system or circuit.

Jome warrants to the original retail purchaser only that the purchaser's new minn *this diagram is for reference only and may differ from your actual motor. Minn kota trolling motor diagram pictures to pin on pinterest pinsdaddy. Need a wiring diagram for a 1950 model trolling motor or maybe a picture. An electrical wiring layout is a straightforward visual representation of the physical links and also physical design of an electric system or circuit. In today's video i do a. Lifetime warranty flexible composite shaft. Double check your motor's voltage for proper connections. Minn kota accessories available for your motor. If voltage is present, replace main control board. Minn kota powerdrive transom 665mxt 1997. The function is the same: Battery gauge compass sensor board. However, the diagram is a simplified variant of this structure.

Minn kota powerdrive transom 665mxt 1997. This manual is designed to assist in basic trouble shooting procedures for minnkota trolling motors. Boats minn kota 24v wiring diagram plug 12v trolling motor wiring diagram as. Wiring diagram stateofindiana co kawasaki bayou on. Double check your motor's voltage for proper connections.

Diagram Minn Kota Trolling Motor 36 Volt Wiring Diagram Full Version Hd Quality Wiring Diagram Climatediagram Centrobachelet It
Diagram Minn Kota Trolling Motor 36 Volt Wiring Diagram Full Version Hd Quality Wiring Diagram Climatediagram Centrobachelet It from detoxicrecenze.com
Minn kota terrova manual online: Eletrcal bayou 220 wiring diagram 2002 bayou 220 wiring diagram 1995. We finally had a nice, sunny day so that means it's time to uncover the boat and install upgrades i planned over the winter! Wiring diagram stateofindiana co kawasaki bayou on. Please download these minn kota wiring diagram by using the download button, or right select selected image, then use save image menu. Double check your motor's voltage for proper connections. In today's video i do a. Boats minn kota 24v wiring diagram plug 12v trolling motor wiring diagram as.

If voltage is present, replace main control board.

Battery gauge compass sensor board. However, the diagram is a simplified variant of this structure. Literally, a circuit is … This manual is designed to assist in basic trouble shooting procedures for minnkota trolling motors. Precision on board chargers models mk 106pc m. If voltage is present, replace main control board. Minn kota accessories available for your motor. The function is the same: Please download these minn kota wiring diagram by using the download button, or right select selected image, then use save image menu. Jome warrants to the original retail purchaser only that the purchaser's new minn *this diagram is for reference only and may differ from your actual motor. A wiring diagram is a simplified traditional pictorial representation of an electric circuit. Great deals on minn kota trolling motor parts order directly from the schematic by clicking on the part you need fish307.com. 4 wire minn kota wiring diagram get free image about wiring diagram.

Great deals on minn kota trolling motor parts order directly from the schematic by clicking on the part you need fish307.com. Need a wiring diagram for a 1950 model trolling motor or maybe a picture. Lifetime warranty flexible composite shaft. The function is the same: Visit our website at www.minnkotamotors.com portable chargers stabilizer kits onboard chargers circuit 10 pg.

Minn Kota 65 Wiring Diagram Diagram Base Website Wiring Diagram Erdiagramtemplate Pasticcerialaroccaimola It
Minn Kota 65 Wiring Diagram Diagram Base Website Wiring Diagram Erdiagramtemplate Pasticcerialaroccaimola It from erdiagramtemplate.pasticcerialaroccaimola.it
Minn kota accessories available for your motor. If voltage is present, replace main control board. Wiring diagram stateofindiana co kawasaki bayou on. Need a wiring diagram for a 1950 model trolling motor or maybe a picture. Literally, a circuit is … (consult appropriate wiring diagram for motor being diagnosed.) a. The diagram offers visual representation of an electrical arrangement. However, the diagram is a simplified variant of this structure.

Great deals on minn kota trolling motor parts order directly from the schematic by clicking on the part you need fish307.com.

The diagram offers visual representation of an electrical arrangement. Battery gauge compass sensor board. Minn kota thottle mounting diagram pdf, eng, 1 mb.pdf. Great deals on minn kota trolling motor parts order directly from the schematic by clicking on the part you need fish307.com. Double check your motor's voltage for proper connections. 18 serial number ww purchase date feature information installation operation maximizer battery wiring diagram transducer. Minn kota trolling motor diagram pictures to pin on pinterest pinsdaddy. Need a wiring diagram for a 1950 model trolling motor or maybe a picture. This manual is designed to assist in basic trouble shooting procedures for minnkota trolling motors. Minn kota terrova ipilot w/link trolling motor & precision charger. Find this pin and more on minn kota by tyler faulk. We finally had a nice, sunny day so that means it's time to uncover the boat and install upgrades i planned over the winter! Obtaining from factor a to aim b.

By