Home › Unlabelled ›
Vw Sand Rail Wiring Diagram - TheSamba.com :: Kit Car/Fiberglass Buggy - View topic - 2 ... / Similar in some respects but often mistakenly referred to as a dune buggy, beach buggy or sand car, a vw sand rail is a different type of speciality vehicle.
Vw Sand Rail Wiring Diagram - TheSamba.com :: Kit Car/Fiberglass Buggy - View topic - 2 ... / Similar in some respects but often mistakenly referred to as a dune buggy, beach buggy or sand car, a vw sand rail is a different type of speciality vehicle.. For vw parts i've always had pretty good luck with j.c. Detailed description of technology of repair, electric. This video demonstrates the vw polo complete wiring diagrams and details of the wiring harness. Gabester for the n/b setup and interior parts. We have 22 volkswagen vehicles diagrams, schematics or service manuals to choose from, all free to download!
1993 vw passat fuserelay panel and ignition switch wiring diagram 146 kb. Complete universal wiring kit includes: If your vehicle is not equipped with a working trailer wiring harness, there are a number of different. Detailed description of technology of repair, electric. Jetta 2 brake light, rreversing light, interior heating, wentilation fan, engine cooling fan diagram.
Vw Sand Rail Wiring Diagram - | Sand rail, Off road buggy ... from i.pinimg.com Dune buggy and sandrail wiring daigram sand rail vw trike. We have created colored wiring diagrams for your convenience. Sand rail wiring diagram get sand rail electrical. This video demonstrates the vw polo complete wiring diagrams and details of the wiring harness. Similar in some respects but often mistakenly referred to as a dune buggy, beach buggy or sand car, a vw sand rail is a different type of speciality vehicle. Success stories » ben's vw sand rail and miata. We attempt to discuss this vw sand rail wiring diagram picture in this post just because based on data coming from google search engine, its one of many best searches keyword on google. Edition 01.2006 golf variant/bora variant current flow diagram no.
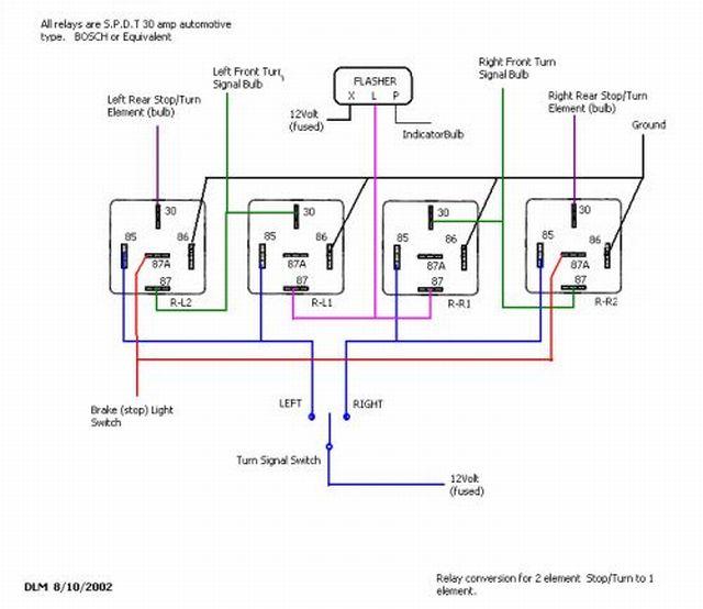
Sand rail wiring w/o turn signals or wipers public.
Custom built buggies, usually vw engined hence vw in name. For vw parts i've always had pretty good luck with j.c. Subscribe for news & promotions! 1 / 4 dash panel insert, immobilizer, rev. Similar in some respects but often mistakenly referred to as a dune buggy, beach buggy or sand car, a vw sand rail is a different type of speciality vehicle. Type 2 wiring diagrams contributions to this section are always welcome. Frame rail 5th wheel ground strap 5th wheel part number: Volkswagen service and repair manuals. Detailed description of technology of repair, electric. Gabester for the n/b setup and interior parts. Volkswagen sharan 2011 service training vw. Sandrails are popularly operated on actual. This is a simple wiring diagram i made up for my sand rail.
And we also believe you came here were searching for these details, are not you? 1993 vw passat fuserelay panel and ignition switch wiring diagram 146 kb. Xc90 automobile pdf manual download. Vehicle wiring diagrams includes wiring diagrams for cars and wiring diagrams for trucks. Currently powered by a single port 1500 vw motor.
Dune Buggy & VW Bug Alternator Kit Instructions from dunebuggywarehouse.com Subscribe for news & promotions! Volkswagen sharan 2011 service training vw. Free repair manuals & wiring diagrams. 1987 vw jetta 2 wiring diagrams. Shop jbugs today for our wide selection of 1968 vw beetle engine electric components including ignition coils, starters, alternators, and generators. Detailed description of technology of repair, electric. These can serve as a guide or reference for you while restoring your. I still need help making the lights work and the rear suspension to work better.
This one will be getting a full efi system controlled by a microsquirt ems.
Subscribe for news & promotions! This is a simple wiring diagram i made up for my sand rail. 1 / 4 dash panel insert, immobilizer, rev. Fff vw ar sistema elétrico do fusca tl variant 1600. It's very detailed and shows how every wire for each component routes to the. Edition 01.2006 golf variant/bora variant current flow diagram no. Xc90 automobile pdf manual download. These can serve as a guide or reference for you while restoring your. Sand rail wiring w/o turn signals or wipers public. 6 panel fuse box, fuses, wiring, ends, fittings, electrical tape, wiring diagram with instructions. Wiring diagrams, spare parts catalogue, fault codes free download. Sand rail wiring diagram get sand rail electrical. Handy wiring diagram that shows a paper trail of how the electrical system works for the 7.3l powerstroke engines, all trucks, excursions, vans.
1987 vw jetta 2 wiring diagrams. And we also believe you came here were searching for these details, are not you? Great for trikes, buggies, kit cars and other special applications. For volkswagen and vw based dune buggies. We attempt to discuss this vw sand rail wiring diagram picture in this post just because based on data coming from google search engine, its one of many best searches keyword on google.
Public circuits tagged "dune-buggy" - CircuitLab from www.circuitlab.com Sand rail wiring diagram get sand rail electrical. We attempt to discuss this vw sand rail wiring diagram picture in this post just because based on data coming from google search engine, its one of many best searches keyword on google. Currently powered by a single port 1500 vw motor. Your source for all your aircooled vintage vw parts. Subscribe for news & promotions! Sand rail 4 seater design plans. Frame rail 5th wheel ground strap 5th wheel part number: Vw sand rail wiring diagram dune buggy wiring harness diagram in vw sand rail wiring diagram, image size 640 x manx club empi 9466 wiring diagram vw sand rail dune buggy 12 fuse wire harness kit volkswagen johnnylawmotors com or other fiberglass cars loom.
This video demonstrates the vw polo complete wiring diagrams and details of the wiring harness.
I have a fugitive with a 1641cc with a tons of mods and tons of chrome. Fff vw ar sistema elétrico do fusca tl variant 1600. Great for trikes, buggies, kit cars and other special applications. Subscribe for news & promotions! Electrical wiring diagram system vw corrado for year 1994 12 kb. Your source for all your aircooled vintage vw parts. We have created colored wiring diagrams for your convenience. This one will be getting a full efi system controlled by a microsquirt ems. Wiring diagrams, spare parts catalogue, fault codes free download. Xc90 automobile pdf manual download. Commando car alarms offers free wiring diagrams for installing your alarm, remote car starter, keyless entry or power door locks in your car or truck. Diagrams for the following systems are included : 1 / 4 dash panel insert, immobilizer, rev.