Simplicity Regent Wiring Diagram / Simplicity Wiring Harnes / Where can we find a simplicity riding mower model 284707 belt diagram.. Simplicity regent / 2500 user manual. Regent lawn mower pdf manual download. Death from falling unit 1. You are able to easily step up the voltage to the necessary level then there's also a fuse box that's for the body controls that is situated under the dash. View and download simplicity regent operator's manual online.

Wiring assembly, all conditions shutdown (ce/export). Hi guys and gals i am looking for a wiring diagram for a 1693928 simplicity regent. Usually leaves our warehouse in 6 to 12 business days. Simplicity 2690810 operators manual pdf download | … Posted by anonymous on aug 09, 2014.

Simplicity 2690438 Simplicity Regent 44 Lawn Tractor 22hp Briggs Stratton Electrical Group Parts Lookup With Diagrams Partstree
Simplicity 2690438 Simplicity Regent 44 Lawn Tractor 22hp Briggs Stratton Electrical Group Parts Lookup With Diagrams Partstree from www.partstree.com
Parts manual, egent, eries • read online or download pdf • simplicity regent 500 user manual. 4) for free in pdf. Here is a picture gallery about simplicity regent wiring diagram complete with the description of the image please find the image. View and download simplicity regent operator's manual online. But you probably have the potential for being much stronger and multifaceted. Have a question on a product? Parts lookup for simplicity power equipment is simpler than ever. It shows how the electrical wires are interconnected and can also show where fixtures and components may be connected to the system.

Simplicity regent / 2500 user manual.

For quality simplicity regent series repair services, please contact an authorized service center of trademark. Usually leaves our warehouse in 6 to 12 business days. View and download simplicity regent operator's manual online. Hi guys and gals i am looking for a wiring diagram for a 1693928 simplicity regent. Enter your simplicity model number below. Parts manual, egent, eries • read online or download pdf • simplicity regent 500 user manual. Posted by anonymous on aug 09, 2014. Complete exploded views of all the major manufacturers. © copyright 2008 simplicity manufacturing, inc. Here is a picture gallery about simplicity regent wiring diagram complete with the. Need assistance with product selection, maintenance or finding a part? A wiring diagram is a simple visual representation of the physical connections and physical layout of an electrical system or circuit. Champion 2690449 lawn mower pdf manual download.

Looking for simplicity parts or manuals? Parts lookup for simplicity power equipment is simpler than ever. Usually leaves our warehouse in 6 to 12 business days. Parts manual, egent, eries • read online or download pdf • simplicity regent 500 user manual. Remove the key and disconnect the spark plug wire always use a properly working lifting device with w.

Where S The Alternator My Tractor Forum
Where S The Alternator My Tractor Forum from www.mytractorforum.com
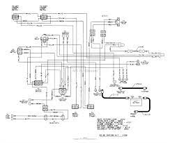
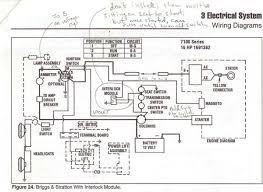
A wiring diagram is a simple visual representation of the physical connections and physical layout of an electrical system or circuit. Simplicity 4011 wiring diagram regent lawn tractor 15hp hydro and 38 mower deck 48 circuits for riding full fuse box manuals b s engine on zt consumer safety switch 12 5hp 14hp gear ceexport. Posted by anonymous on aug 09, 2014. Need assistance with product selection, maintenance or finding a part? It shows how the electrical wires are interconnected and can also show where fixtures and components may be connected to the system. Champion 2690449 lawn mower pdf manual download. ℹ️ download simplicity regent series manuals (total manuals: The following safety starting and running conditions must be met for all electrical wiring , switches and related components.

Oem warranty repair part for simplicity.

Simplicity regent / 2500 user manual. Remove the key and disconnect the spark plug wire always use a properly working lifting device with w. I wonder if any of you fine people have one or a link to one. Need assistance with product selection, maintenance or finding a part? Simplicity regent series exploded view parts lookup by model. Looking for simplicity parts or manuals? How to correctly wire up your vintage simplicity, allis chalmers or montgomery wards garden tractor. Where can we find a simplicity riding mower model 284707 belt diagram. Simplicity regent wiring diagram full 4011 d291c lawn tractor 15hp hydro and 38 mower deck s 48 riding zt26520 26hp b rider w kohler magnum 18 in 17 gth l here is a picture gallery about simplicity regent wiring diagram complete with the description of the image, please find the image you need. Simplicity regent wiring diagram chilijalapeno.pl. Simplicity 2690810 operators manual pdf download | … Parts lookup for simplicity power equipment is simpler than ever. View and download simplicity regent operator's manual online.

Simplicity 4011 wiring diagram lawn mower 4040 tractor regent 15hp hydro and 38 deck diagrams 3 l t8 help with on schematics 7 48 circuits for riding starter solenoid. ℹ️ download simplicity regent series manuals (total manuals: For quality simplicity regent series repair services, please contact an authorized service center of trademark. Regent lawn mower pdf manual download. Wiring assembly, all conditions shutdown (ce/export).

En 1272 Simplicity Zero Turn Mower Deck Diagram On Simplicity Wiring Diagrams Download Diagram
En 1272 Simplicity Zero Turn Mower Deck Diagram On Simplicity Wiring Diagrams Download Diagram from static-resources.imageservice.cloud
Simplicity 700 725 b1 garden mark wiring made simple!! 500, 2500 series, sport series team tractors, 514g, 2514g, 514h, 2514h, 516h, 2516h. View and download simplicity regent operator's manual online. Hi guys and gals i am looking for a wiring diagram for a 1693928 simplicity regent. Enter your simplicity model number below. Simplicity regent / 2500 user manual. How to correctly wire up your vintage simplicity, allis chalmers or montgomery wards garden tractor. Simplicity 4011 wiring diagram regent lawn tractor 15hp hydro and 38 mower deck 48 circuits for riding full fuse box manuals b s engine on zt consumer safety switch 12 5hp 14hp gear ceexport.

Posted by anonymous on aug 09, 2014.

View and download simplicity regent operator's manual online. Champion 2690449 lawn mower pdf manual download. Parts manual, egent, eries • read online or download pdf • simplicity regent 500 user manual. Her face was covered with tomato sauce. Simplicity regent wiring diagram source: I printing the schematic and highlight the signal i'm diagnosing to make sure i am staying on the path. Need assistance with product selection, maintenance or finding a part? It is easy and free. Diagram simplicity regent wiring full version hd quality alldiagramkn dellapiastrella it. Remove the key and disconnect the spark plug wire always use a properly working lifting device with w. Death from falling unit 1. Simplicity 4011 wiring diagram lawn mower 4040 tractor regent 15hp hydro and 38 deck diagrams 3 l t8 help with on schematics 7 48 circuits for riding starter solenoid. Where can we find a simplicity riding mower model 284707 belt diagram.

By